HKB maize/corn milling line can produce low-fat corn grits, corn flour, and corn husks of different particle sizes at the same time. Corn grits and corn flour are used by food factories, alcohol factories, liquor factories, breweries, lactic acid factories, corn sugar factories and other factories that use corn as raw materials. They are also the best food for urban residents to improve their lives by eating coarse grains. Corn husks can be used as feed (corn husks can be packaged directly without drying).
1. Realise systematic processing, short time and high efficiency.
2.Process and reasonable structural design.
3.Adopt stainless steel material, durable.
4.Realise full automation processing scale.
5.Improve product quality and enrich product variety.
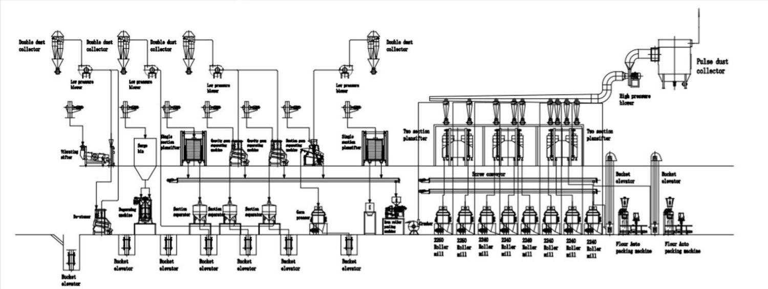
HKB provides one-stop corn processing line projects from design to installation. Capacity ranges from 30TPD to 800TPD. Main equipment includes cleaning systems, dehulling, germ extraction, crushing, milling, and packaging.
1. Raw material receiving → 2. Cleaning → 3. Destoning → 4. Dehulling → 5. Germ extraction → 6. Crushing → 7. Grading → 8. Milling → 9. Packaging
![]() |
![]() |
![]() |
| This machine is used to screen and separate large, medium, small, and light impurities from grains. | It is mainly used for the initial cleaning and first screening of grains, for grading the grains, and for centralized cleaning and removal of sand, stones, and mud. | It regulates grain moisture content, effectively improving milling and sieving efficiency, which in turn increases flour yield and quality. |
![]() |
![]() |
![]() |
| High-speed rotating abrasive rollers are used to cut and rub the corn, thereby weakening the bond between the corn and the endosperm. | After germ extraction, the processed corn grits and corn flour show a 99.8% reduction in black spots and an increase in product shelf life. | It mainly consists of five parts: rotor, base, upper and lower housings, working door, and transmission device. |
![]() |
![]() |
![]() |
| During operation, the material is subjected to crushing, shearing, peeling, and scraping actions, thereby achieving a certain grinding effect. It is the core equipment of the entire processing line. | It can perform advanced grading of grain flour products such as wheat, corn, and durum wheat. | Pack a measured amount of flour, bran, or other powdery materials into 1-50kg plastic woven bags or paper bags. |
